歡迎您,浏覽新港海岸(北京)科技有限公司官方網站!

這是描述信息

NCS25304S

  • 輸入類型 : LVCMOS
  • 輸入端口數 : 1
  • 輸出端口數 : 3
  • 輸出類型 : LVCMOS
  • 器件類型 : Single-Ended Buffer
  • Core Supply Voltage(V) : 2.5V,3.3V
  • Output Supply Voltage(V) : 2.5V, 3.3V
  • Output frequency(Min)(MHz) : DC
  • Output frequency(Max)(MHz) : 200
  • Additive Jitter(fs) : 35
  • Temperature Range : -40 to 85
  • Package : 8-pin TSSOP
輸入類型 : LVCMOS
輸入端口數 : 1
輸出端口數 : 3
輸出類型 : LVCMOS
器件類型 : Single-Ended Buffer
所屬分類
Clock Buffer
咨詢電話:010-57158360
NCS25304S
産品描述

産品描述

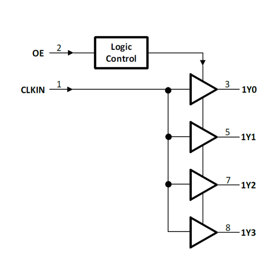
NCS25304S is a versatile 1:4 clock buffer with high performing characteristics like very low skew and PCI-X compatibility.

The device outputs a clock signal 1Y [0:3] derived from the input clock signal CLKIN. NCS25304S is specifically designed for applications demanding PCI-X interfaces.

It can be operated from 2.5V or 3.3V power supplies.

産品參數

• High performance 1:4 clock buffer

• Operating frequency:up to 200MHz

• Output skew <100ps

• Compatible with PCI-X interface

• Global output enable control

• Supply voltage:3.3V or 2.5V

• Temperature range:–40°C to 85°C

• Package:8-pin TSSOP

 

 

Core Supply Voltage(V):2.5V,3.3V

Output Supply Voltage(V):2.5V, 3.3V

Output frequency(Min)(MHz):DC

Output frequency(Max)(MHz):200

Additive Jitter(fs):35

Temperature Range:-40 to 85

Package:8-pin TSSOP

關鍵詞:
集成(chéng)電路
芯片
半導體
電路
薄膜
上一個
下一個

相關産品

産品咨詢

留言應用名稱:
客戶留言
描述:
驗證碼
TOP
搜索
确認
取消

北京總公司

北京市朝陽區望京綠地中心A座A區9層

電話:+86-10-53821869

傳真:+86-10-53821865

郵箱:sales@newcosemi.com   

          support@newcosemi.com

深圳子公司

  廣東省深圳市福田區深南大道(dào)6019号金潤大廈8層

電話:+86-755-23480857

西安分公司

西安市高新區錦業一路52号寶德雲谷國際B座2003

電話:+86-29-81128637

合肥子公司

  合肥市高新區創新大道(dào)2800号創新産業園2期F棟705 

電話:+86-551-63657380

新港海岸(北京)科技有限公司