歡迎您,浏覽新港海岸(北京)科技有限公司官方網站!

這是描述信息

NCS8821

  • 封裝 : QFN-32 (4mm x 4mm)
HDMI1.4 to VGA with Audio
所屬分類
HDMI
咨詢電話:010-57158360
NCS8821
産品描述

産品描述

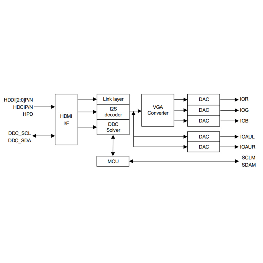
NCS8821 is a low-cost, low-power, the HDMI1.4 high resolution video to VGA converter. It consists of HDMI receiver, three separate 10-bit video Digital-to-Analog Converters (DACs) and audio encoder. This is a single-chip solution for HDMI to VGA adapter, Docking station and etc. The HDMI receiver is compliant with HDMI 1.4a specification. The VGA output can support up to WUXGA (1920*1200 CVTRB@ 60Hz). The 4mm*4mmQFN32 package can save the PCB spaces.

産品參數

VGA Output

 • Max resolution Up to WUXGA (1920*1200 CVT-RB@60Hz)

 • Support VGA connection detection 

HDMI Input

 • HDMI 1.4a compliant

 • Support RGB444/YCbCr444/YCbCr422

 • Pixel clock up to 166MHz

 • Support 2-channel 12-bit audio DAC

 • Support Hot-Plug Detection

 • Adaptive equalization 

Clock

 • Embedded Crystal, Crystal-less in components 

 

Embedded MCU

 • Support I2C Master up to 400 kHz.

 • 5V tolerance DDC I/Os 

Power

 • 5V/3.6V supply

 • Power consumption ~ 160mA

 • Deep-sleep mode power <1mW 

Package

 • QFN-32 (4mm * 4mm) package

 • RoHS Compliant 

上一個
下一個

相關産品

産品咨詢

留言應用名稱:
客戶留言
描述:
驗證碼
TOP
搜索
确認
取消

北京總公司

北京市朝陽區望京綠地中心A座A區9層

電話:+86-10-53821869

傳真:+86-10-53821865

郵箱:sales@newcosemi.com   

          support@newcosemi.com

深圳子公司

  廣東省深圳市福田區深南大道(dào)6019号金潤大廈8層

電話:+86-755-23480857

西安分公司

西安市高新區錦業一路52号寶德雲谷國際B座2003

電話:+86-29-81128637

合肥子公司

  合肥市高新區創新大道(dào)2800号創新産業園2期F棟705 

電話:+86-551-63657380

新港海岸(北京)科技有限公司