歡迎您,浏覽新港海岸(北京)科技有限公司官方網站!
服務熱線:+86-10-53821869 / +86-755-23480857
産品描述
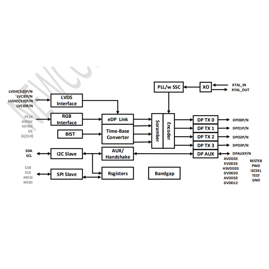
NCS8801S is a low-power RGB/LVDS-to-DisplayPort/eDP converter, which is designed for mobile devices including smartphones, tablets, laptops, etc. to support high-definition DP/eDP displays. NCS8801S supports 4-lane DP/eDP output which is typically required to support QXGA (2048*1536) and above at 60Hz frame rate. All the functions including both RGB and LVDS interfaces pack into a small 7mm*7mm QFN56 package which saves the precious space in mobile devices.
産品參數
Embedded-DisplayPort (eDP) Output
1/2/4lane eDP @ 1.62/2.7Gbps per lane
UP to WQXGA (2560*1600) supported
Up to 6dB pre-emphasis
RGB Input
18/24bit RGB Interface
Pixel clock up to 270MHz
SDR/DDR supported
Pin order reversal supported
LVDS Input
Single/Dual-channel 6/8bit LVDS interface
400Mbps to 1Gbps per data pair
Built-in termination
Channel and polarity swap supported
Reference Clock
Any freq. between 19MHz and 100MHz
Crystal or single-ended clock input
Built-in 5000ppm SSC generator
Misc
I2C/SPI for chip configuration
Built-in eDP handshake protocol
I2C-AUX channel for TCON/DPCD/EDID
control
Built-in video test pattern
Power
1.2V core supply
2.5V or 3.3V IO supply
RGB IO can go down to 1.8V
Power consumption ~ 187mW
@ 1920*1080*24bit*60Hz, LVDS mode
Deep-sleep mode power <1mW
Package
QFN-56 (7mm x 7mm) package
RoHS Compliant
相關産品
産品咨詢
北京總公司
北京市朝陽區望京綠地中心A座A區9層
深圳子公司
↵廣東省深圳市福田區深南大道(dào)6019号金潤大廈8層
西安分公司
西安市高新區錦業一路52号寶德雲谷國際B座2003
合肥子公司
↵合肥市高新區創新大道(dào)2800号創新産業園2期F棟705
電話:+86-551-63657380

